Crean microchips 'vivos' a partir de células cerebrales humanas capaces de jugar a videojuegos
Los chips biológicos, creados a partir de células madre cultivadas sobre una placa informática, jugaron al popular 'Pong', basado en el tenis de mesa
Esta funcionalidad es sólo para registrados
Iniciar sesiónLos ordenadores han transformado la sociedad y son capaces de realizar tareas cada vez más sofisticadas. Sin embargo, aún están lejos de igualar las capacidades de un cerebro humano: se necesitarían 34 plantas alimentadas con carbón que generen 500 megavatios por hora para almacenar ... en un centro informático la misma cantidad de datos contenidos en cualquiera de nuestras cabezas. En cambio, gracias a nuestro billón de conexiones neuronales, somos capaces de realizar 15 quintillones de operaciones por segundo utilizando tan solo la energía que gasta una bombilla.
Es por ello que el cerebro sigue siendo el modelo perfecto. Y, ¿por qué no utilizar sus componentes básicos, las células, mezclados con los clásicos chips de silicio, los 'ladrillos' de los actuales sistemas informáticos, para llevar estos sistemas integrados a otro nivel? Esta, aunque pueda parecer una idea algo disparatada, es la premisa sobre la que trabaja Cortical Labs, un laboratorio con sede en Melbourne (y que trabaja junto a su universidad) que se autodenomina «pionero en computación biológica» y que acaba de publicar en la revista 'Neuron' su primer logro: sus 'chips vivientes' son capaces de jugar al mítico videojuego 'Pong', demostrando que esta hibridación entre mecánica y biología, al menos en este experimento, es posible.
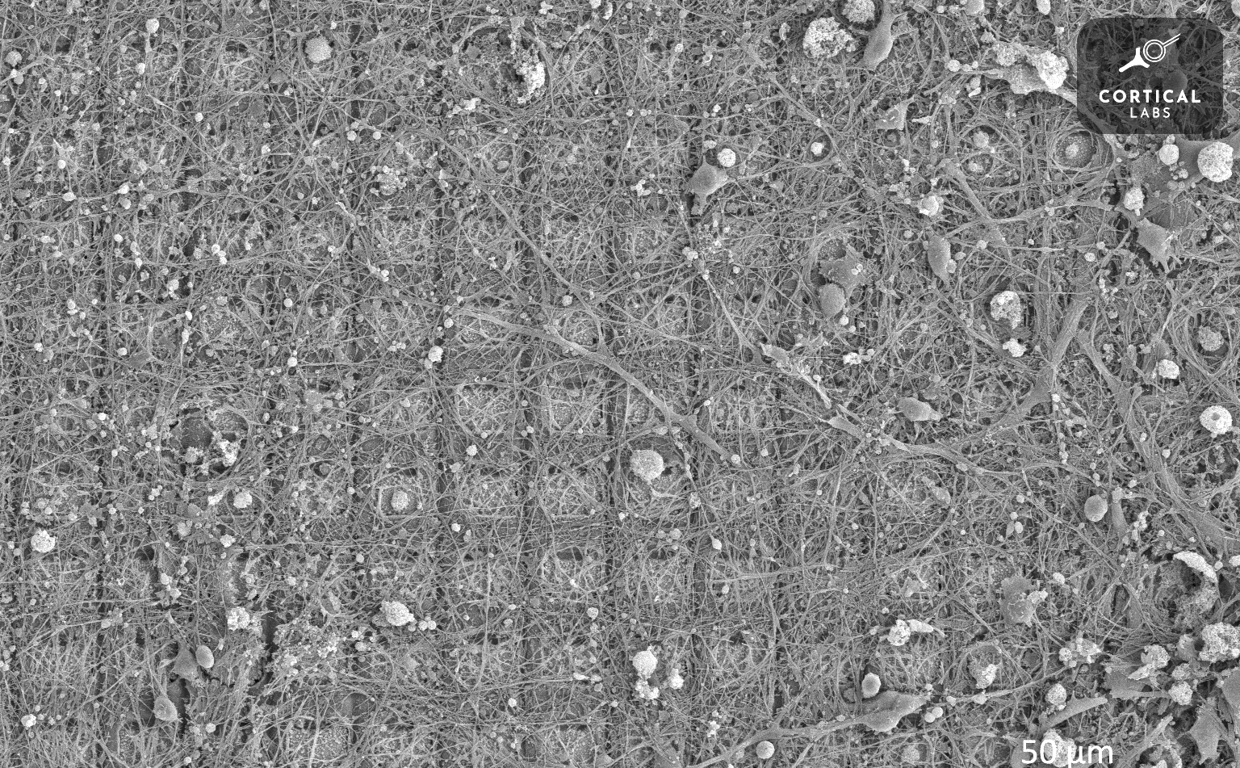
Neuronas que viven sobre circuitos
La base de todo son las células. El sistema, bautizado como 'DishBrain' (algo así como 'cerebro en plato' en inglés), contiene dos tipos de células: por un lado, neuronas vivas recolectadas de embriones de ratón; y, por otro, células madre pluripotentes inducidas de humanos (o células madre creadas a partir de tejidos como la piel, que se 'revierten' hacia un estado troncal y después pueden 'reconvertirse' en otras células, en este caso, neuronas). Una vez cultivadas, estas células se colocaron en placas base, donde continuaron creciendo y 'fundiéndose' con el sistema electrónico.
El equipo de Cortical Labs, capitaneado por su director científico, Brett Kagan, aprovechó que ambos circuitos comparten un lenguaje común: la electricidad. Concretamente, en los ordenadores con chips de silicio, las señales eléctricas viajan a lo largo de cables metálicos que unen diferentes componentes entre sí. En el cerebro, las neuronas se comunican entre sí mediante señales eléctricas a través de las sinapsis, que son uniones entre las células nerviosas. En el sistema DishBrain, al crecer las neuronas sobre los chips de silicio, estas actúan como cables, conectando los diferentes componentes.
El siguiente paso fue 'programarlas' para desempeñar una tarea concreta, en este caso jugar al mítico 'Pong', un videojuego clásico y sencillo basado en el tenis de mesa en el que el jugador debe golpear una bola que rebota constantemente, evitando que toque el fondo (recuerda mucho a la pelota de mano o frontón). Gracias a las placas con varios microelectrodos sobre los que crecieron las células, los autores podían tanto leer su actividad como estimularlas: así, se activaron electrodos a la izquierda o a la derecha de la matriz para decirle a Dishbrain de qué lado estaba la 'pelota', mientras que la frecuencia de las señales indicaba la distancia desde la 'raqueta' virtual. La retroalimentación de los electrodos le enseñó a al sistema cómo devolver la pelota, haciendo que las células actuaran como si fueran ellas mismas la raqueta. Todo el proceso quedó registrado en la pantalla, igual que vemos nuestra participación en un videojuego.
«Nunca antes habíamos podido ver cómo actúan las células en un entorno virtual», explica Kagan. «Logramos construir un entorno de circuito cerrado que puede leer lo que sucede en las células, estimularlas con información significativa y luego cambiar las células de una manera interactiva para que realmente puedan alterarse entre sí», señala el autor. Además, según señalan los autores, la principal ventaja de este enfoque es que las neuronas pueden cambiar de forma, crecer, replicarse o morir en respuesta a las demandas del sistema.
Basado en la polémica tesis de la energía libre
El sistema está basado en el principio de la energía libre, una teoría planteada por el neurocientífico Karl Friston hace algo más de una década que describe el funcionamiento básico del cerebro. Según la idea de Friston, nuestras células cerebrales tienden a evitar la sorpresa o 'energía libre' siempre que pueden. Con ello, mejoran continuamente sus predicciones y pueden dar una respuesta más óptima cada vez. Sin embargo, este teoría fue criticada porque es difícil de demostrar.
Según los autores, DishBrain respalda el principio de la energía libre. «Enfrentamos un desafío cuando estábamos trabajando en cómo instruir a las células para que siguieran un camino determinado. No tenemos acceso directo a los sistemas de dopamina o cualquier otra cosa que podamos usar para proporcionar incentivos específicos en tiempo real, por lo que tuvimos que ir un nivel más profundo a lo que trabaja el profesor Friston: entropía de información. Un nivel fundamental de información sobre cómo funciona el sistema, que se autoorganiza para interactuar con su entorno a nivel físico«.
Kagan dice que un hallazgo emocionante fue que DishBrain no se comportó como los sistemas basados en silicio: «Cuando presentamos información estructurada a las neuronas incorpóreas, vimos que cambiaron su actividad de una manera que es muy consistente con su comportamiento real como un sistema dinámico. Por ejemplo, la capacidad de las neuronas para cambiar y adaptar su actividad como resultado de la experiencia aumenta con el tiempo, de acuerdo con lo que vemos en la tasa de aprendizaje de las células». De hecho, el equipo observó cómo los chips aprendían a jugar a los cinco minutos de empezar a ser estimulados y cómo los sistemas con células cerebrales humanas aprendían a jugar más rápido que los creados a partir de las células embrionarias de ratones.
Las implicaciones éticas: donaciones y dolor
Desde la publicación en preimpresión de este estudio en 2021 (los autores compartieron sus hallazgos antes de que fuera revisado y publicado en una revista científica), múltiples voces se han alzado para cuestionar los aspectos éticos que pueden involucrar este tipo de experimentos. para empezar, el uso de células madre humanas aún se sitúa en el terreno de la polémica: aunque en este caso se utilicen células que provienen de tejidos como la piel, el cerebro se vincula a la identidad. «¿Las personas que proporcionan muestras de tejido para la investigación y el desarrollo de tecnología saben que podría usarse para fabricar computadoras neuronales? ¿Necesitan saber esto para que su consentimiento sea válido?», planteaba un artículo en The Conversation escrito por varios expertos en ética biomédica.
«El consentimiento del donante plenamente informado es de suma importancia. Cualquier donante debe tener la oportunidad de llegar a un acuerdo de compensación como parte de este proceso y su autonomía corporal debe ser respetada sin coerción», respondía Kagan en un comunicado. El equipo defiende que este sistema servirá además para crear una alternativa a las pruebas con animales al investigar cómo responden los nuevos medicamentos o las terapias génicas en estos entornos dinámicos.
Por otro lado, también existe la polémica de hasta dónde pueden 'sentir' este tipo de dispositivos. «¿Podrían estas neuronas alguna vez desarrollar un verdadero libre albedrío y volverse contra nosotros, como sucede con tantas historias distópicas de inteligencia artificial? Creo que es posible imaginar un híbrido biológico-electrónico que actúe de esta manera porque ya tenemos muchos ejemplos de sistemas neuronales naturales (cerebros) que hacen exactamente eso: atacar con ira, odio o dolor», planteaba en otro artículo Brian Patrick Green, director de ética tecnológica en el Centro Markkula de Ética Aplicada en la Universidad de Santa Clara (California).
Según Kagan, «como se discutió recientemente en un estudio [de su propia autoría], no hay evidencia de que las neuronas en un plato tengan una experiencia cualitativa o consciente, por lo que no pueden angustiarse y, sin receptores de dolor, no pueden sentir dolor«, señala. »Las neuronas han evolucionado para procesar información de todo tipo: quedarse completamente sin estimular, como se hace actualmente en los laboratorios de todo el mundo, no es un estado natural para una neurona. Todo lo que hace este trabajo es permitir que las neuronas se comporten como la naturaleza pretendía en su nivel más básico«.
El futuro de los chips híbridos
Pong no fue el único juego que probó el equipo: «¿Sabes cuando el navegador Google Chrome falla y te sale ese dinosaurio que puede saltar obstáculos? Lo probamos y vimos algunos buenos resultados preliminares, pero todavía tenemos más trabajo por hacer en la creación de nuevos entornos para propósitos personalizados», dice Kagan.
El futuro potencial de este trabajo, según los autores, se encuentra en el modelado de enfermedades, el descubrimiento de fármacos y la expansión de la comprensión actual de cómo funciona el cerebro y cómo surge la inteligencia. «DishBrain ofrece un enfoque más simple para probar cómo funciona el cerebro y obtener información sobre patologías como la epilepsia y la demencia», señala por su parte el Hon Weng Chong, director ejecutivo de Cortical Labs.
MÁS INFORMACIÓN
De hecho, el siguiente paso será inducir una suerte de 'borrachera' a estos chips, para observar qué efecto tiene el alcohol cuando se introduce en DishBrain. «Estamos tratando de crear una curva de respuesta a la dosis con etanol; básicamente, 'emborracharlos' y ver si juegan peor, como cuando la gente bebe», señala Kagan. «Este es el comienzo de una nueva frontera en la comprensión de la inteligencia. Toca los aspectos fundamentales no solo de lo que significa ser humano, sino también de lo que significa estar vivo e inteligente, procesar información y ser consciente en un mundo dinámico y en constante cambio».
Esta funcionalidad es sólo para suscriptores
Suscribete
Esta funcionalidad es sólo para registrados
Iniciar sesiónEsta funcionalidad es sólo para suscriptores
Suscribete